sop8封装尺寸标准:
SOP 也是一种很常见的封装形式,始于70年代末期。SOP封装的应用范围很广,而且以后逐渐派生出MSOP(微型小外形封装)、SOJ(J型引脚小外形封装)、TSOP(薄小外形封 装)、VSOP(甚小外形封装)、SSOP(缩小型SOP)、TSSOP(薄的缩小型SOP)及SOT(小外形晶体管)、SOIC(小外形集成电路)等在 集成电路中都起到了举足轻重的作用。像主板的频率发生器就是采用的SOP封装。后面跟的数字8是指该封装有8个引脚。
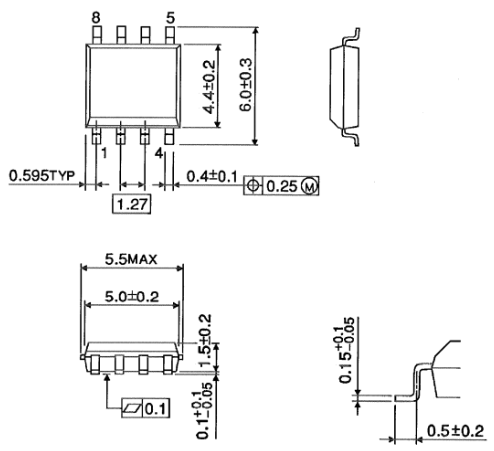
SOP8封装的标准尺寸为1.9mm x 3mm,厚度约为1.5mm,适合小型电子产品的应用。

SOP8封装概述:
SOP8(Small Outline Package 8)是一种小型外形封装,通常用于集成电路IC。其中SOP代表"Small Outline Package",它的引脚数量为8个,广泛应用于各种电子设备中。SOP8封装的引脚间距通常为1.27mm(50mil),适合在空间有限的环境中使用。
尺寸标准
封装尺寸:1.9mm x 3mm
厚度:约1.5mm
引脚间距:1.27mm(50mil)
引脚数量:8个
应用特点
体积小:SOP8封装的面积小,适合放置在尺寸较小的产品中,使得整体产品设计更加简洁轻便。
低功耗:由于封装体积小,内部晶体管被缩小,功耗相对较低,适合低功耗应用。
优异性能:SOP8封装具备高度集成、高效率和高可靠性,能够支持多种音频格式的处理。
易于集成:引脚数量较少,便于在电路板级或系统级集成。
相关标准
SOP8封装的标准在不同的半导体制造商中可能会有所不同,主要遵循JEDEC和EIAJ标准。不同的标准可能会导致封装尺寸和引脚配置的差异,因此在设计电路时需要特别注意。