FT32F030xB 32位微控制器芯片产品简介:
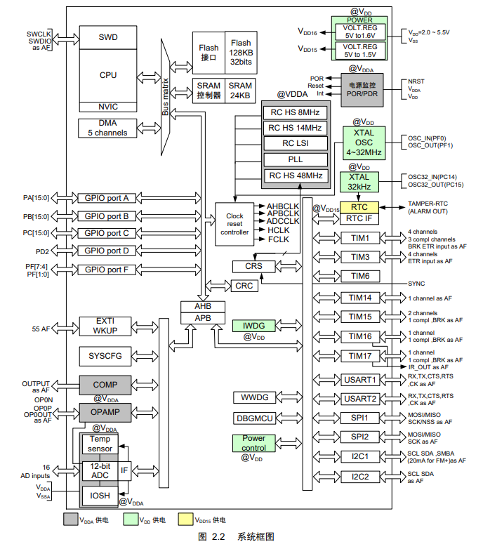
FMD(辉芒微)FT32F030xB使用高性能的ARM Cortex-M0 32位的RISC内核,最高工作频率为96MHz,内置高速存储器(高达128K字节的闪存和24K字节的SRAM)和丰富的增强型I/O端口。芯片包括标准的通信接口(2个I2C接口、2个SPI接口、2个USART接口)、1个12位ADC和7个通用16位计数器和1个高级控制PWM计数器。三种低功耗模式保证低功耗应用的要求。支持SWD接口调试,2个观察点以及4个硬件断点,方便用户调试。
封装: LQFP64, LQFP48, QFN32, QFN28;
产品型号:FT32F030RBAT7、FT32F030CBAT7、FT32F030KBCU7、FT32F030KBBW7、FT32F030GBBU7
应用领域:
应用控制和用户界面、手持设备、A/V接收机和数字电视、PC外设、游戏和GPS平台、工业应用、可编程控制器、逆变器、打印机、扫描仪、报警系统、视频对讲和HVAC。
CPU特性:
工作电压:2.0V ~ 5.5V
工作温度范围:-40℃~105℃
基于ARM Cortex-M0 32位的RISC内核
单指令周期32位硬件乘法器
32个中断向量的NVIC,4种优先级
支持SWD接口调试,2个观察点以及4个硬件断点
存储架构
Flash程序存储器: 128KB
数据RAM: 24KB
3种低功耗模式: 睡眠/停止/待机
外设特性:
时钟源
内置40KHz低频振荡器
内置14MHz中频振荡器
内置48MHz高频振荡器,支持硬件校准
支持32KHz低频晶体,支持硬件校准
支持4MHz-32MHz晶体和外部时钟输入
可编程PLL,最高可倍频到96MHz
55个高速IO
可映射到外部中断向量
PA8~PA10,PA13~PA15,PB0~PB1,PB3~PB7支持LED驱动
所有I/O支持1/2VDD偏置
5通道的可编程DMA控制器
可编程多项式的CRC模块
32/16位硬件除法器
32/16位带符号除法
支持除零检测中断
10个总线周期完成一次运算
1 Msps 12位ADC
16个外部通道
内部通道:温度传感器、内部电压基准、2个运算放大器和2个采样保持电路
3个内部参考电压:0.625V、1.5V、2.5V
3个高速比较器
7位DAC与反相端相连,可配置
2个运算放大器
运放输出可作为ADC输入
实时时钟和日历RTC模块
支持入侵检测,闹钟与周期唤醒
10个定时器
TIM1,16-bit, 4路PWM,支持3对互补
TIM3,16-bit, 4路PWM
TIM14,16-bit, 1路PWM
TIM15,16-bit, 2路PWM,支持1对互补
TIM16/TIM17,16-bit, 1路PWM,支持1对互补
TIM6,16-bit,基本定时器
2个看门狗:WWDG与IWDG
1个24位的系统定时器
3个前沿消隐计数器和4个滤波器
多达14个PWM消隐触发源和4个IO消隐触发源
1个IO滤波器和3个比较器滤波器
通信接口
2个I2C,其中I2C1支持FM+和SMBus
2个SPI,支持4到16bit的位帧
2个USART,支持同步SPI模式以及Modem控制,自动波特率检测




