欢迎光临深圳市微效电子有限公司官网!
咨询热线:
13423842368
  1. 首页 > 产品中心 > FMD(辉芒微电子)>FT92071EI3-B

FT92071EI3-B

FT92071EI3-B
产品型号:FT92071EI3-B
制造商:FMD(辉芒微)
价格:具体面议
温控范围:-40°C~+85°C
用途:电池管理系统芯片BMS
存储容量 :
电压-电源:74V
规格封装:TSSOP20
说明书:点击下载
产品介绍

FT92071EI3-B锂电池组保护芯片产品简介:

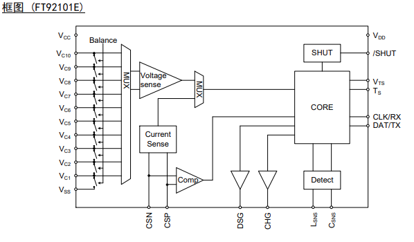
FMD(辉芒微)FT92051E/92071E/92101E分别为3-5/3-7/3-10节串联锂电池组(电芯)提供多方面保护及均衡管理。芯片采样电压、电流和温度,通过上位机配置来进行灵活保护,能消除单一料号的局限。芯片内部均衡电流为10mA,可外部扩展大电流均衡。芯片负载检测、充电器检测不需增加外围器件。外部控制锁机模式降低功耗到2µA,减少运输或储存时电芯的损耗, 也同时关闭充放电功能提高安全性。高压引脚耐受达74V,提供充足电压余量。

锂电池组保护芯片产品特点:

VCC、VCN 引脚电压耐受 74V

CHG, LSNS, CSNS对VCC耐受 -70V

电池接反、接错耐受

均衡:内部10mA,也可控制外部

电池断线检测

负载检测、充电器检测

低功耗锁机模式

过放锁机模式

低边充、放电NMOS驱动

支持串口读取数据和修改参数

过压、欠压保护及恢复:  ±15mV

两级放电过流保护:1 → 10(±mV)

充电过流保护:  1 → 2 (±mV)

放电短路保护:  ±10%

锂电池组保护芯片产品型号:FT92051EI3-B、FT92101EI3-D

FT92071EI3-B框图

FT92071EI3-B典型应用电路图

FT92071EI3-B引脚图


ISO体系认证证书 ISO体系认证证书 ISO体系认证证书 ISO体系认证证书 ISO体系认证证书 ISO体系认证证书 ISO体系认证证书 ISO体系认证证书 ISO体系认证证书
    联系我们
  • 电话:13423842368 唐先生(微信同号)
  • 邮箱:392729410@qq.com
  • 座机:0755-27212232
  • 服务时间:
    • 8:30-18:30(工作日)
    • 9:00-18:00(节假日)
关注公众号

关注公众号

Copyright © 2026 深圳市微效电子有限公司 All Rights Reserved    专注于IC芯片代理、MCU芯片代理,主要产品:SPI NOR FLASH、NAND FLASH、SD NAND FLASH、 mcu单片机、温度传感器芯片等存储芯片,粤ICP备2025381541号-1网站地图sitemap.xml

扫描微信,掌握资讯