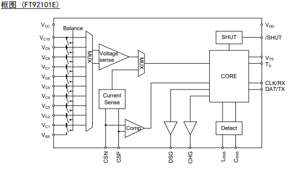
FT92101EI3电池管理芯片概述
FMD(辉芒微)FT92051EI/FT92071EI/FT92101EI 分别为 3-5/3-7/3-10 节串联锂电池组提供多方面保护及均衡管理。芯片采样电压、电流和温度,通过上位机配置来进行灵活保护,能消除单一料号的局限。内部 10mA 均衡可扩展为外部大电流均衡(均衡可以选择 FMD 专利电流关联算法以加长电池寿命)。芯片负载检测、充电器检测不需增加外围器件。外部控制休眠模式降低功耗到 2µA,减少运输或储存时电芯的损耗, 也同时关闭充放电功能提高安全性。高压引脚耐受达 74V,提供充足电压余量。相关型号:FT92051EI3-B(TSSOP-20)、FT92071EI3-B(TSSOP-20)、FT92101EI3-D(TSSOP-28);
FT92101EI3电池管理芯片特性:
VCC、VCN 引脚电压耐受 74V
CHG, LSNS, CSNS对 VCC耐受 -70V
电池接反、接错耐受
(1)均衡:内部 10mA,也可控制外部
电池断线检测
负载检测、充电器检测
不需增加外围器件
低功耗锁机模式
外部引脚控制进入,适用于储运
低电压保护时减低电芯能耗(可配)
过放锁机模式
电芯超低电压时不充不放提高安全性
低边充、放电 NMOS 驱动
上位机配置参数
无需外围器件配置
单一料号满足不同需求
智能信息显示简化开发
(1)过压、欠压保护及恢复: ±15mV
(2)两级放电过流保护: 1 → 10(±mV)
(3)充电过流保护: 1 → 2 (±mV)
(4)放电短路保护: ±10%
(5)电芯高温/低温保护: ±3°C
芯片过温保护: ~100°C
3 - 5 串 ;
功耗
正常: 40µA
睡眠: 25µA
低功耗锁机: 2µA
工作温度 ‒ 40°C → + 85°C
贮存温度 ‒ 40°C → + 150°C
上位机可配置参数 (用户修改电池保护参数时,须确认参数和电池匹配。



