达林顿管是由两个双极性晶体管(通常为NPN或PNP型)按特定方式连接而成的复合晶体管结构,其核心目的是获得极高的电流增益。它的设计思路很简洁:让前一个晶体管的输出电流驱动后一个晶体管,实现电流的“接力式”放大,从而用极小的输入电流控制较大的输出电流。

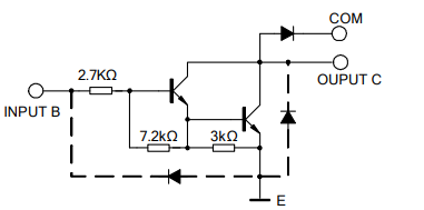
一、核心结构(以NPN达林顿管为例)
达林顿管的结构由两个功能互补的晶体管组成,二者的连接方式决定了其放大特性,具体如下:
- 晶体管T1(前级晶体管):通常为小功率管,具备较高的电流增益(β₁),位于输入侧,负责接收输入信号并进行初步放大。
- 晶体管T2(后级晶体管):通常为大功率管,同样具备较高的电流增益(β₂),可根据负载需求灵活选择,位于输出侧,负责驱动负载。
- 标准连接方式:T1的发射极直接连接T2的基极,T1的集电极与T2的集电极相连(该节点即为达林顿管的总集电极);T2的发射极作为达林顿管的总发射极,而达林顿管的基极(B)就是T1的基极。
二、工作原理详解(以NPN达林顿管为例,工作于正向放大区)
达林顿管的放大过程是两级晶体管协同作用的结果,步骤清晰且逻辑连贯,具体如下:
1. 输入信号注入:当在达林顿管的基极(即T1的基极)施加正向偏置电压(相对于发射极E)时,会有一个微小的输入基极电流(Ib)流入T1的基极,触发T1导通。
2. T1的初步放大:根据晶体管工作原理,流入T1基极的小电流Ib会被放大β₁倍,因此在T1的发射极会产生一个远大于Ib的发射极电流(Ie1)。
3. T2的基极驱动:关键在于,T1的发射极电流Ie1几乎等于其集电极电流Ic1(因Ie = Ic + Ib,且Ib极小可忽略),而这个Ie1会直接流入T2的基极,相当于T1为T2提供了放大后的基极电流(Ib2 ≈ Ie1 ≈ Ic1 ≈ β₁×Ib)。
4. T2的二次放大:T2作为独立晶体管,会将其基极电流Ib2进一步放大β₂倍,因此T2的集电极电流Ic2 ≈ β₂×Ib2 ≈ β₁×β₂×Ib。
5. 总电流增益计算:达林顿管的总输出集电极电流(Ic_total ≈ Ic2)相对于输入基极电流Ib的增益为:β_total = Ic_total / Ib ≈ β₁×β₂,即总增益是两个单管增益的乘积。
三、关键特性与优势
达林顿管的核心优势围绕其极高的电流增益展开,适配多种需要大电流驱动的场景,具体特性如下:
- 极高的电流增益(β_total):这是达林顿管的核心设计目标。即便两个单管的电流增益各为100(工业常用规格),组合后的总增益可达10000,意味着只需极小的输入基极电流,就能控制很大的输出集电极电流。
- 强大的电流驱动能力:与高增益相伴的是出色的负载驱动能力,后级T2通常选用功率管,能够输出较大的负载电流,可直接驱动继电器、小型电机等大功率器件。
- 高输入阻抗:达林顿管的输入特性主要由前级T1决定,T1工作于共集电极(射极跟随器)模式,输入阻抗极高,无需大电流驱动,可直接被小信号源或微控制器(如Arduino GPIO)驱动,适配性极强。
四、需要注意的缺点
受其复合结构影响,达林顿管也存在一些固有缺点,限制了其在部分场景的应用:
- 饱和压降较高:当达林顿管工作于饱和区(用作开关)时,T2的饱和压降Vce2(sat)通常为0.3-1V(取决于器件型号和工作电流),而T1为驱动T2需维持约0.7V的BE结正向压降,因此达林顿管的总饱和压降Vce(sat)≈0.7V+0.3V=1V(实际值为0.8V-2V不等)。这一数值远高于单管开关,会导致导通功耗(P=Ic×Vce(sat))增大,器件发热更明显。
- 开关速度较慢:关断速度慢是其主要短板,原因有二:一是两个晶体管的基区均有存储电荷,关断时需额外时间抽走;二是关断过程需先抽走T1基极电荷、使T1截止,才能通过泄放回路释放T2基极的存储电荷,整体耗时比单管更长,不适用于高频开关场景。
- 电压摆幅限制:在开关应用中,输出电压无法完全接近电源电压或地电平,会被饱和压降Vce(sat)抬高,影响输出精度。
五、内部保护措施
为改善性能、保护器件,多数集成达林顿管(如ULN2003系列)内部会集成以下保护结构:
- 基极泄放电阻:包括并联在T1 BE结的Rbe₁和并联在T2 BE结的Rbe₂。Rbe₁可辅助泄放T1基极存储电荷,略微提升关断速度,但会对驱动电流产生轻微分流;Rbe₂作用更为关键,为T2基极存储电荷提供泄放路径,显著提升关断速度,且其阻值较大(通常为几KΩ至几十KΩ),对正常驱动电流影响极小。
- 续流/钳位二极管:通常为肖特基二极管,反向并联在集电极(C)与发射极(E)之间。当负载为感性元件(如继电器线圈、电机)时,关断瞬间会产生极高的反向感应电动势,该二极管可提供泄放路径,避免达林顿管被反向高电压击穿。
六、总结
达林顿管的核心价值的是通过两级晶体管的“串联”连接,实现电流增益的相乘效应(β_total=β₁×β₂),从而以极小的输入电流驱动大功率负载,兼具高电流增益、强驱动能力和高输入阻抗的优势。其主要短板为饱和压降高(功耗大)、开关速度慢,限制了高频应用场景;而集成式达林顿管通过内置泄放电阻和保护二极管,有效改善了性能并提升了器件可靠性。
形象比喻:可将达林顿管的工作过程比作两个人协同推一辆重车(负载电流)。前一个人(T1)力气小但反应灵敏、易控制(高输入阻抗),主要任务是推动第二个人(T2)的肩膀(提供基极电流);第二个人(T2)力气极大(大功率),但需要外力推动才能启动。当你轻轻推一下第一个人(输入小电流Ib),他会使出β₁倍的力气推第二个人,第二个人被推动后,再使出β₂倍的力气推车,最终车的推力(输出电流Ic)就是你初始推力的β₁×β₂倍。不过,由于需要两个人协同发力,整个系统的“损耗”(饱和压降Vce(sat))也会比一个人推车(单管)更大。