在开关电源、电机驱动、电源管理等各类功率电路中,功率MOS管栅极(G极)几乎都会串联一颗几Ω~几十Ω的小电阻,这颗看似不起眼的电阻,是保障MOS管稳定工作、避免器件损坏的关键。它核心有两大作用:限制栅极瞬间冲击电流、抑制开关振荡与干扰,同时阻值选型需严格权衡,过大或过小都会引发电路故障,下面结合MOS管寄生参数详解原理与核心要点。
一、核心作用一:限制栅极瞬间冲击电流,保护驱动芯片
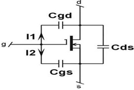
MOS管属于电压控制型器件,静态工作时栅极几乎无直流电流,但内部存在不可忽略的寄生电容,这是栅极电流的核心来源。MOS管内部寄生电容主要有三个:Cgs(栅源电容)、Cgd(栅漏电容)、Cds(漏源电容),器件规格书中通常标注以下组合参数,与寄生电容直接对应:

- Ciss(输入电容) = Cgs + Cgd
- Coss(输出电容) = Cds + Cgd
- Crss(反向传输电容) = Cgd
功率MOS管的输入电容Ciss数值极大,常见动辄上千pF,以典型MOS管2060A为例,Ciss高达2950pF。MOS管高速开关过程中,需要对Ciss快速充放电,进而控制栅源电压通断,此时会产生瞬间峰值冲击电流。
通过简易公式估算:$$I = Ciss \times \frac{dV_{GS}}{dt}$$
假设Vgs=10V,开关上升时间Tr=20ns,Ciss=2950pF,计算可得栅极瞬间电流可达1.47A。这种高频、大幅值的冲击电流,极易直接烧毁前级驱动芯片,缩短器件寿命。
栅极串联小电阻后,会与Ciss形成RC充放电回路,有效压低瞬间峰值电流,避免驱动芯片过载损坏;同时电阻阻值极小,仅限制冲击电流,不影响MOS管正常电压驱动逻辑。
二、核心作用二:抑制开关振荡,稳定电路波形
功率电路中,MOS管引脚、PCB引线会产生寄生电感,与内部寄生电容相互配合,会形成LC谐振回路。而MOS管开关的方波信号,包含丰富的高频谐波分量,一旦谐波频率与LC谐振频率接近,就会引发自激振荡,导致波形畸变、产生EMI电磁干扰,甚至出现电压尖峰,击穿MOS管或周边元器件。
串联栅极电阻后,能够有效降低振荡回路的品质因数Q值,快速衰减振荡幅度,消除自激振荡,抹平开关波形的尖峰与毛刺,让MOS管导通、关断过程更平缓,同时减少电磁干扰,避免电路误动作、器件击穿。
三、栅极电阻阻值选型禁忌:过大、过小都不可取
核心原则:栅极电阻阻值严格控制在几欧姆~几十欧姆,严禁过大或过小,需平衡开关速度与损耗、稳定性。
1. 阻值过小/无栅极电阻
失去限流和阻尼作用,MOS管导通、关断速度过快,瞬间电流尖峰极大,极易损坏驱动芯片;同时LC振荡无法抑制,波形尖峰突出,高压场景下直接击穿周边器件,电磁干扰严重,电路稳定性极差。
2. 阻值过大
会大幅延长MOS管导通、关断的过渡时间,导致漏源导通电阻Rds从无穷大缓慢降至Rds(on)(通常0.1Ω以下)。过渡期间,高压加在Rds上会产生大量功率损耗,直接导致MOS管严重发热;高频频繁开关时,热量来不及散出,温度持续飙升,最终烧毁MOS管。
四、核心总结
- 本质作用:限流护驱动、阻尼抑振荡
- 阻值范围:常规功率电路选10Ω~47Ω,高频小功率电路可略小,大功率大电流电路略大
- 关键提醒:不可省略,不可随意改阻值,需结合MOS管寄生电容、开关频率匹配选型