XM25QU256D 1.8V 256M-BIT SERIAL FLASH MEMORY WITH DUAL/QUAD SPI & QPI/DTR
XM25QU256DKIQT SPI NOR FLASH芯片 产品特点:
产品特性
全新 SPI 闪存系列XM25QU256D:256M 比特 / 32M 字节
支持多种接口
标准 SPI:CLK、/CS、SI、SO、/WP、/HOLD
双路 SPI:CLK、/CS、IO0、IO1、/WP、/HOLD
四路 SPI:CLK、/CS、IO0、IO1、IO2、IO3
QPI 模式:CLK、/CS、IO0、IO1、IO2、IO3
支持 SPI/QPI DTR(双倍传输速率)读取
高性能串行闪存
166MHz 单线、双路 / 四路 SPI 快速读取
108MHz 标准读取
133MHz DTR 读取
快速读取模式下可配置空指令周期数
可靠性
擦写 / 编程次数:大于 100,000 次
数据保存时间:大于 20 年
高效读取模式
高效 “连续读取” 与 QPI 模式
支持 8/16/32/64 字节环绕连续读取
四路外设接口(QPI)降低指令开销
支持真正的 XIP(片内执行)操作
高性能编程 / 擦除速度
页编程时间:典型值 0.25 ms
扇区擦除时间:典型值 25 ms
32KB 块擦除时间:典型值 80 ms
64KB 块擦除时间:典型值 120 ms
整片擦除时间:典型值 40 秒
单电源供电
工作电压范围:1.65V–2.0V
低功耗特性
待机电流:典型值 15 μA
深度掉电电流:典型值 1 μA
读取工作电流:典型值 6 mA(80MHz 四路 I/O)
灵活架构
统一扇区 / 块擦除(4KB/32KB/64KB)
每可编程页支持 1~256 字节编程
支持擦除 / 编程挂起与恢复
高级安全特性
软件及硬件写保护
电源锁定与 OTP 保护
支持存储阵列顶部 / 底部、取反区域保护
每颗器件具备 128 位唯一 ID
支持串行闪存可发现参数(SFDP)标识
3 个 2048 字节安全寄存器,带 OTP 锁定功能
支持 volatile 与非易失性状态寄存器位
封装:
K: SOP16L 300mil;
X: WSON 6x8 8L;
B2: TFBGA 6x8 24ball (5*5 ball array);
XM25QU256DKIQT SPI NOR FLASH产品说明:
XM25QU256DXIQT(256M 位)是一款串行接口闪存器件,采用 1.65V–2.0V 单电源供电设计;在深度掉电模式下电流低至 0.2µA。该器件支持将程序代码从闪存映射至片上或外置 RAM 中运行。
器件具备灵活的擦除架构,支持按页擦除,同样非常适用于数据存储,可省去额外的数据存储器件。
器件内设有 131,072 个可编程序页(每页 256 字节),单次最多可编程 256 字节。页面擦除方式支持:每 16 页为一组(4KB 扇区擦除)、每 128 页为一组(32KB 块擦除)、每 256 页为一组(64KB 块擦除)以及整片擦除。器件分别包含 8,192 个可擦除扇区和 512 个可擦除块。4KB 小扇区结构可为需要存储数据与参数的应用提供更高的灵活性。
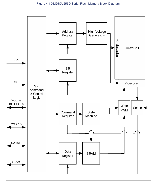
该器件支持标准串行外设接口(SPI)、双 I/O SPI、四 I/O SPI 以及双指令时钟周期的四外设接口(QPI),涉及信号包括串行时钟、片选、串行数据 I/O0(SI)、I/O1(SO)、I/O2(/WP)及 I/O3(/HOLD)。器件支持最高 166MHz 的 SPI 时钟频率;在运行快速读取双 / 四 I/O 及 QPI 指令时,双 I/O 等效时钟速率可达 332MHz,四 I/O 等效时钟速率可达 664MHz。
器件还新增支持 DTR(双倍传输速率) 指令,传输速率可超越标准的 8 位、16 位异步并行闪存。仅需 8 个时钟周期的指令开销即可完成 24 位地址读取,连续读取模式可实现高效存储器访问,支持真正的 XIP(片内执行)运行。
此外,器件配备保持引脚、写保护引脚,并支持通过存储阵列顶部 / 底部区域控制实现可编程写保护,进一步提升控制灵活性。器件同时支持 JEDEC 标准厂商 ID 与器件 ID、SFDP 寄存器、128 位唯一序列号以及 3 个 2048 字节安全寄存器。

